Millises etapis maja ehitamisel tasub mõelda küttesüsteem
Parim aeg ehituse alustamiseks puhkemaja - kevad ja suvi. On selge, et kui sa tahad elada seda mitte ainult aastaaega, siis tasub hoolitseda hoone küttesüsteem. Ja mida varem sa sellest mõelda on, seda parem. Vanasõna'i "готовь rege suvel ja vankrisse ja talvel" truu siin kõik on 100%. Kui te ei ole kindel, kuigi oleks umbes, millist kütteseadmed kasutatakse, et sa ei saa korralikult üles ehitada oma kodu. Ja kui pärast ehituse sa saad aru, et teil on vaja достраивать veel ja котельную või paigaldada дымовую toru, siis kiired muutused projekti ja ettenägematud ehitustööd võivad mitte ainult rikkuda tuju, aga ka ära võtta olulisi täiendavaid vahendeid. See tähendab, et kui sa arvad, et luua küttesüsteemi ei ole väärt, et meenutada enne esimese külma ilmaga, siis ma kardan, te tõsiselt eksite. Lisaks, kui varem sa hakkad ehitada küttesüsteem, seda rohkem kvalitatiivselt see on projekteeritud nii, nagu зарузка projekteerijad ajavahemikul kevadest on sügis kasvab plahvatuslikult. Kui ei ole imelik, vaid ka kvaliteedi paigaldus küttesüsteem on kokku puutunud "hooajaline tegur". Mõtlen, et kui saabub tippnõudlusest paigaldus küttesüsteemide, st. sügisel, enamik kvalifitseeritud paigaldajate juba hõivatud ja mõned firma "подряжают" inimesi, kes "on proovinud paigaldada see riist, aga palju kogemusi ei ole". Isegi kui sa oled õnnelik, ja te ei ole kohanud selliseid "häda-монтажниками", ei huvita, tööde kvaliteet on toodetud vaikses režiimis ja kvaliteeti "авральной" tööd on väga erinevad.
Niisiis, te ehitada suvila ja sul tekib palju küsimusi selle järgi, kust alustada valik kütteseadmed teda.
Millest samas on küttesüsteem
"Süda" küttesüsteem on boiler. Sellest soojendatud kütteaine (vesi või antifriis) abil циркуляционного pump (kui süsteem on sunnitud ringlus) või ilma selleta (looduslik ringlus) liigub läbi torude ja loovutab soojust oma kodus läbi küte seadmed. Lisaks ülaltoodud põhilised elemendid küttesüsteem kuulub veel palju muud väiksemad kuid vajalikud normaalse töö asju: расширительный tank - компенсирующий temperatuuri laiendamine vee -, kanalisatsioon - ja' ühenduse torud, õhu klapid ja palju muud.
Millised on küttesüsteemi
Eespool on mainitud süsteemi sunnitud ja loomulik ringlus. Mis on nende erinevus? Süsteemi sunnitud ringlusse liikumine jahutusvedelik läbi, kasutades циркуляционного pump. Klientidele.autode selline süsteem on: mugavus (on võimalik säilitada etteantud temperatuuri igas toas), kõrgema kvaliteediga, väikese läbimõõduga torud, mis on väiksem temperatuuride vahe üle katel kuumutatud vett ja возвращающейся potti jahtunud (pikendab eluiga boiler). Peamine ja võib-olla ainus miinus selliste süsteemide - pump nõuab elektrit. Süsteemi loomulik ringlus pump ei ole. Roll pump see täidab гравитационная jõud, tekkiv arvelt vahe tihedus (konkreetse kaalu) jahutusvedeliku pakkumist ja tagasiside torud (tihedus vähem kuuma vett, st see on lihtsam, kui külm). Sellist süsteemi on vaja suure läbimõõduga toru (et vähendada takistust), ta peaaegu ei saa reguleerida ja kui seda kasutada saad vähem mugavust, kui suur kütuse kulu.
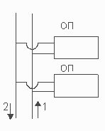
Kuidas разводки torude juurde радиаторам
Võib-olla olete juba kuulnud, et on olemas kaks võimalust разводки torude juurde отопительным vahend - однотрубная ja двухтрубная. Kui двухтрубной iga радиатору подведено kaks toru - "direct" ja "alla". See olulised võimaldab olema sama temperatuur pealevoolu pealevoolu kõik seadmed. Двухтрубная olulised võib olla kahte tüüpi: a) paralleelse ühendusega, radiaatorite (vt joonis. 2), b) лучевая (коллекторная), kui koguja "kiired" iga kütteseadmega tehakse kaks toru - otsene ja tahapoole. Miinus kiiritusravi süsteemi - kulud suured torud. Pluss - kerge kütteseadmete reguleerimine ja tasakaalustamine süsteemi. Kui однотрубной разводке (vt joonis. 1) jahutusvedelik läheb järjest ühest radiaator teisele, seejuures остывая. Seega viimane radiaator kett võiks olla tunduvalt külmem kui esimene. Kui sa hoolid nagu kütte - vali двухтрубную süsteem, mis võimaldab reguleerida temperatuuri igas ruumis.
Ainus pluss kahetoru - madalam hind.
| Joonis. 1 однотрубная olulised | Joonis. 2 Двухтрубная olulised paralleelse ühendusega, radiaatorite | OP - kütteseade 1 - otsene 2 - reverse |
![]() | ![]() |
Loodan, et teile sai natuke selgemaks, millest koosneb küttesüsteem ja kuidas see toimib. Aga kuidas minna teooria praktilise valik seadmeid.
Kuidas valida kütteseade boiler
Et valida boiler sa pead läbima järgmised etapid:
Esimene. Otsustada, taotlus, mis tüüpi kütust optimaalselt teie piirkonnas. On valida järgmistest: gaas -, vedel - (diisel) kütust, elektrit, tahke kütus (kivisüsi, puit, cox et al. )
On teine. Valida kõige sobivam on võimsusega katel, mis võimaldab minimaalsete kulutustega energia vedaja talle sooja anda oma tuppa. Hinnanguline võimsus boiler hea утепленного kui hoone lagede kõrgus kuni 3 m on defineeritud järgmiselt suhe: 1 kw võimsusega katla 10 m2 köetava pinna. Kuid lõpparve vajalik võimu tasub usaldada ainult spetsialistid.
Kolmas. Mõista, on vaja ainult kütte kodus või veelgi ja kuum vesi. Teisel juhul on vaja двухконтурный katel või одноконтурный katel koos sellega ühendatud бойлером.
Kuidas valida kütuse liik kütte kodus?
Kui teie saiti подведен uplink gaasi, siis enamikul juhtudel, optimaalne on gaasi katel, sest enam odavat kütust ei leia.
Gaasi katelde
Gaasi katelde vastu võetud jagada põrandal ja seinale.
Soojusvaheti põranda, muidugi on valmistatud malmist või terasest. Ei saa öelda üheselt, et mingi materjal on vaieldamatud eelised teise ees. Terasest - see on lihtsam, ei ole väga kardavad lööki veo ajal ja peale-ja mahalaadimine. Kas malmist soojusvaheti, võrreldes terasest tavaliselt paksemad, mis võib positiivselt mõjutada elu oma teenust. Aga nagu mulle tundub, ei ole vähem mõju, kui materjal on soojusvaheti, eluiga boiler avaldab õige projekt, paigaldus ja käit küttesüsteem.
Seina katlad võib nimetada "katlamaja miniatuursed", sest väikeses korpuses on mitte ainult kirjutaja, soojusvaheti ja seadme juhtimine, kuid üks või kaks циркуляционных pump, расширительный tank, manomeeter, termomeeter, süsteem, mis tagab ohutu töö boiler ja paljud muud osad, ilma milleta ei toimu töö normaalne katlamaja. Ma tahan juhtida teie tähelepanu sellele, et teel eemaldada off-gaasi katlad jagunevad mudelid loomuliku ja sunnitud uksesulgurid. On katelde koos sunnitud veojõukontroll eemaldamine off-gaasi toimub koos ventilaatoriga, sisseehitatud boiler. Sellised mudelid on ideaalsed ruumide ilma traditsioonilise korsten, sest tooted põlemine sel juhul kuvatakse läbi spetsiaalne coaxial korsten, mille on piisavalt teha ainult auk seinas. Kui aga gaasi ei ole, siis võimalusi on jäänud üsna vähe: elektrilised boilerid, katlad vahetatavate põletid on kütteõli ja gaas, твердотопливные katlad.
Elektrilised veekeetjadPeamised eelised электрокотлов on: madal hind, madalad kulud paigaldus, turvalisus, lihtne kasutada, ei vaja eraldi ruume (katlamaja) ja paigaldus korsten, müratud, экологичны (ei ole kahjulikke heitmeid ja võõrad lõhnad).
Elektri boiler - on piisavalt lihtne seade. Tema peamised elemendid on soojusvaheti, mis koosneb tank koos укрепленными see электронагревателями (Тэнами)ja juhtseadme ja reguleerimist. Elektrilised veekeetjad mõned ettevõtted tulevad juba укомплектованными циркуляционным pump, расширительным kütusepaagiga, предохранительным klapiga ja filtriga. Oluline on märkida, et электрокотлы väike võimsus on kahte eri liiki - ühefaasilise (220 v) ja трехфазные (380). Katelde võimsus on üle 12 kw tavaliselt on toodetud ainult трехфазными.
Valdav enamik elektri katla võimsus on üle 6 kw on saadaval многоступенчатыми, mis võimaldab ratsionaalselt kasutada elektrit ja ei hõlma katel täisvõimsusel on ülemineku perioodid - kevadel ja sügisel.
Kui olete otsustanud osta elektripliit, boiler, siis on kasulik tabel, kus on ainult hinnangulised väärtused ristlõikega kaabel elektriühenduse loomist boiler sõltub tema võimsus
| Võimsus boiler | Ühesooneline kaabel ühefaasiliste boiler | Kaabli ristlõige et kolmefaasilise boiler | |
| kuni 4 kw | 4, 0 mm2 | ||
| kuni 6 kw | 6, 0 mm2 | ||
| kuni 10 kw | 10, 0 mm2 | ||
| kuni 12 kw | 16, 0 mm2 | 2, 5 mm2 | |
| kuni 16 kw | 4, 0 mm2 | ||
| kuni 22 kw | 6, 0 mm2 | ||
| kuni 27 kw | 10 mm2 | ||
| kuni 30 kw | 16 mm2 | ||
| kuni 45 kw | 25 mm2 | ||
| kuni 60 kw | 35 mm2 |
Peamine tegur, mis piirab levikut seda tüüpi katlad - ei ole igal alal on piisav valitud elektriline võimsus.
Katlad vahetatavate põletid gaasi-ja kütteõliKasutades жидкотопливных boiler võite pakkuda on peaaegu täielik autonoomsus küte oma kodu välistest allikatest. Esiteks, sa ei pea sõltuma esitamise gaasi. Teiseks, kui paigaldada lisaks жидкотопливным котлу veel ja autonoomne allikas toide (et tagada normaalne töö automaatika katlad, põletid, pumbad), siis sa ei sõltu ja seisak. Ainuke asi, mida vaja on "väline maailm" - see on подвоз diislikütust.
Lisaks, katlad vahetatavate põletid on sageli mugav olukord, kus gaasi umbes oma ala kuni ei ole teada, kuid teada on, et ta on'ilmub lähemas tulevikus. Võite esmalt kasutada рідкопаливну põleti ja tekkega peamine gaasi luua gaasi. Kuid tuleb meeles pidada, et kulude hingedega gaasipõleti võib olla соизмерима väärtusega boiler, ja mõnikord ka ületab selle.
Sageli tekib küsimus, kuidas arvutada kütusekulu vedelkütuste. Orienteeruvalt on see kütusekulu (kui töötab katel täisvõimsusel) saab "hinnata" väga lihtsa valemi:
Kütuse tarbimine (kg / h) = põleti võimsust (kw) x 0,1.
Kui kasutate жидкотопливного boiler teil on vaja võimsust, et kütuse. Venemaa turul esindatud plastikust ja terasest paagid nii vene kui ka välismaiste tootjate ja seisavad nad tavaliselt ning 270 - 500 $ (olenevalt mahust, materjalist ja tootjast).
Твердотопливные katladKütus твердотопливных katlad võivad olla küttepuud (puu), pruun või kam'yang kivisüsi, koks. On nii "kõigesööjad" mudel, mis võivad töötada kõik eespool nimetatud liiki kütust, nii ja töötab mõned neist, kuid võttes seejuures suuremat EFEKTIIVSUST.
Paljud mainitud твердотопливного boiler kujuta ette, täiesti primitiivne seade ei ole mingit automaatika. Tänapäeval on see arvamus on juba aegunud. On'on ilmunud piisavalt "smart" katlad, töötab tahkel kütusel. Suur osa tänapäeva boiler suudab automaatselt hoida etteantud temperatuuri vee väljumist. See toimub järgmiselt. Väljumise boiler on paigaldatud andur, отслеживающий vee temperatuuri (jahutusvedelik). See andur mehhaaniliselt'ühendatud siiber. Juhul kui jahutusvedeliku temperatuur on üle antud teiega, siis klapp automaatselt прикрывается ja põlemisprotsessi aeglustub. Kui temperatuur langeb, siis siiber приоткрывается. Väärib märkimist, et antud seade ei nõua ühendamiseks elektrivõrguga.
Kui te otsustate osta твердотопливный katel, siis võib tulla käepärane tabel on soovituslik kõrgus suitsu toru sõltuvalt oma sisemise suuruse ja võimsusega katel.
| Võimsus boiler, kw | Ristlõige, mm | Minimaalne kõrgus, m |
| 16 | 200х200 | 6 |
| 32 | 200х200 | 10 |
| 45 | 200х200 | 12 |
Rääkides твердотопливных katelde, tahaks rääkida seadmete пиролизным puidu põletamine. Peamised plussid on need katlad - palju suurem KASUTEGUR (kuni 85%) ja lihtsus võimsuse reguleerimine. Peamine erinevus katlad koos пиролизным põletamine on see, et neid ei põle ise küttepuud, puit gaasi, pilkupüüdev neist kõrgema temperatuuri toimel. Ajal selline põletamine ei teki tahma ja tekib vähe tuhka.
Katlad kolme ja enamat liiki kütust. Sageli esinevad katlad kaamera põletatakse tahkeid kütuseid ja kellel on võimalus paigaldada hingedega põleti gaasi-ja kütteõli. See on mugav juhul, kui pead ootama ilmumist gaasi ja kuni selle hetkeni saab kasutada tahke või vedel kütus. Lisaks, kui teil on gaasi, kuid olemasolevate probleemide tema taotluse esitamist, on tore, et on käes ja ka teisi võimalusi.
Harvem võib näha katlad, mis võib töötada nii gaasi, vedeliku ja tahke kütus, nii on sisseehitatud ТЭН elektriline kütte. Lühidalt - see on ideaalne variant. Aga kui otsustaks kainelt, siis ei ole nii palju olukordi, kui teil on vaja kasutada kõiki kütuseid. Ja kui võtta arvesse, et selline katel on sageli rohkem väärt kui summa kolme eraldi katlad töötavad nimetatud liiki kütust, siis on selge, et nõudlus katlad töötavad igasuguste kütuse piiratud. Kuid peaaegu iga toode, mis on turul, on oma tarbija ja on selge, et on olukordi, kus ostja peatab oma valik just selliste katelde.
Teine osa artikkel selgitab valides võimsusega katel, sooja veevarustus, циркуляционных насосах, kütte seadmete, torude, антифризе ja palju muud.
Leonid Милеев
Allikas: www. еremont. ee


Kommentaare ei ole:
Postita kommentaar